Đồng hồ tủ điện đa năng LNF96E UI - Elecnova Việt Nam giúp việc đo đếm năng lượng trở nên dễ dàng hơn
Đồng hồ tủ điện LNF96 E UI dùng để thay thế các đồng hồ kim thông thường với màn hình hiển thị trực quan hơn.
LNF96 E UI chia làm 2 dòng chính:
- Dòng bình thường, đo thông số không có truyền thông
- Dòng cao cấp có thông số với truyền thông RS485
Đồng hồ đa chức năng Elecnova đo các thông số điện bao gồm:
Model: LNF96E UI
Phạm vi đo: 0-9999
Cấp chính xác: 0,5
Nhiệt độ hoạt động: -25 ~ 45
Kích thước: 96 * 96mm
Chứng nhận: CE, ISO9001
Tần số: 45-65Hz
Dòng điện định mức: AC 1A / 5A
Điện áp định mức: AC 100V / 380V
Truyền thông: RS-485
Nhiệt độ bảo quản: -25 ℃ ~ 70 ℃ Tiêu chuẩn: IEC-62053
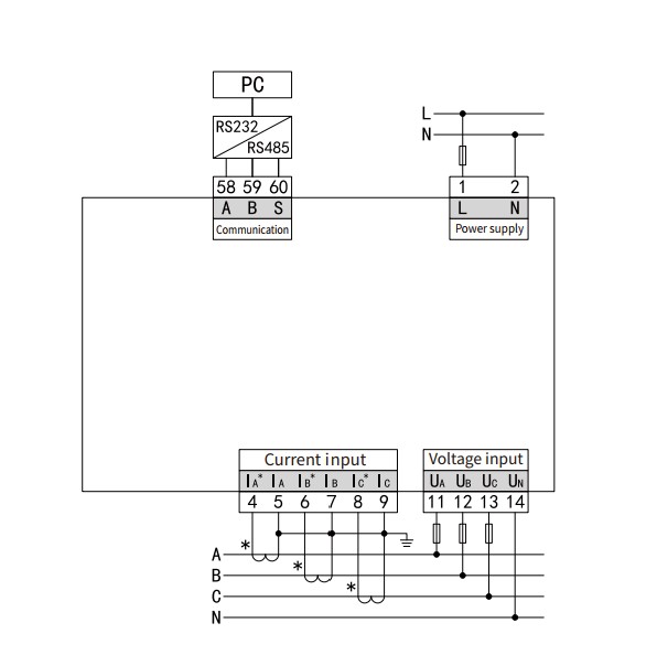
Bản vẽ và đấu nối:
