Theo đặc điểm của quá trình phát quang điện mặt trời, phụ tải được cung cấp bởi quang điện phát ra vào ban ngày và tải được cung cấp bởi acquy lưu trữ vào ban đêm. Để chứng minh tốt hơn việc phân phối năng lượng, tối ưu hóa hiệu suất tổng thể và độ tin cậy của hệ thống, khách hàng đã lắp đặt đồng hồ đo năng lượng DC đa mạch dòng PD195-E33 ở phía phát điện mặt trời PV và phía lưu trữ năng lượng pin tương ứng. Bộ điều khiển phát hiện quá trình phát điện của bảng quang điện và quá trình sạc và xả của pin trong thời gian thực, dự đoán khả năng phát điện của bảng năng lượng mặt trời PV và tự động điều chỉnh thời gian và năng lượng sạc, xả theo dữ liệu được phát hiện và dự đoán, để đảm bảo hiệu quả hoạt động ổn định và đáng tin cậy của tải.

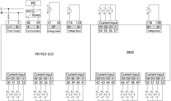
Ngoài sự đa dạng của các thông số đo, các yêu cầu chính của việc phát điện mặt trời PV đối với máy đo DC đa mạch, độ chính xác đo của thiết bị và độ chính xác của cảm biến Hall đã đặt ra các yêu cầu kỹ thuật cao hơn. Thông thường hộp tổ hợp của nhà máy điện mặt trời PV ở môi trường ngoài trời, điều này cũng đặt ra yêu cầu cao hơn về khối lượng đo đa mạch, độ ẩm và khả năng chịu nhiệt độ cao. Đồng hồ đo đa mạch Elecnova DC PD195Z-E33, đồng hồ đo điện có thể cung cấp phép đo chính xác lên đến 9 mạch DC, có thể được trang bị mô-đun bổ sung bên ngoài và có thể thực hiện phép đo lên đến 21 mạch DC với chiều rộng 180mm (Mô-đun 8DIN). Mô-đun bổ sung bên ngoài sử dụng chip đo sáng tiên tiến nhất để thực hiện phép đo thời gian thực của nhiều mạch trong một vỏ máy nhỏ gọn, đây là một đổi mới công nghệ của bộ phận R&D của Elecnova.




Kết nối dữ liệu không dây
Trong hộp tổ hợp của nhà máy điện mặt trời PV thường được lắp đặt ngoài trời. Trước đây, giao tiếp có dây, chẳng hạn như giao thức truyền thông Modbus-RTU hoặc TCP / IP, đã được sử dụng. Giao tiếp có dây Modbus-RTU được sử dụng rộng rãi để truyền dữ liệu của nhiều loại dữ liệu đo lường khác nhau và có độ tin cậy cao. Trong những năm gần đây, sự phát triển nhanh chóng của công nghệ truyền dữ liệu không dây cung cấp nhiều khả năng hơn cho việc truyền dữ liệu đo lường từ xa không dây theo thời gian thực. Do đó, mô-đun bên ngoài truyền dẫn trong suốt không dây SC2 LoRa đã ra đời.
Mô-đun truyền dẫn trong suốt không dây ELECNOVA SC2 Lora có ưu điểm là thiết kế nhỏ gọn và dễ dàng lắp đặt. Nó phù hợp với các dải tần 470 ~ 510Hz, 848 ~ 888MHz và 895 ~ 935MHz, có thể đáp ứng phạm vi ứng dụng của Trung Quốc và hầu hết các nước trên thế giới. Mô-đun truyền dẫn trong suốt không dây Elecnova SC2 Lora có thể thu thập dữ liệu bằng tất cả các thiết bị với giao thức Modbus-RTU tiêu chuẩn và truyền dữ liệu không dây theo cách truyền trong suốt của Lora. Người dùng có thể kết nối có dây giữa máy đo và mô-đun bộ phát SC2 LoRa thông qua giao diện RS485 gần thiết bị và mô-đun bộ thu SC2 LoRa có thể được sửa chữa trong một khu vực mở trong phạm vi 2KM. Bằng cách này, việc truyền dữ liệu không dây có thể được thực hiện một cách thuận tiện và chi phí thấp trong một số dự án nhỏ với khoảng cách trong phạm vi 2KM.

Hi vọng bài viết trên cung cấp thông tin hữu ích cho quý khách hàng, giúp bạn có thể tìm hiểu nhiều hơn về sản phẩm bộ đo đa kênh, cũng như tìm được đúng ứng dụng.
Thông tin liên hệ;
Elecnova Việt Nam - Nhà cung cấp giải pháp ứng dụng điện
Hotline: +84 394 754 828
Website: www.elecnova-energy.com.vn
Email: hung.vu@sfere-elec.com
#Elecnova_Viet_Nam #giải_pháp_chất_lượng_điện_năng #tụ_điện_thông_minh #tiết_kiệm_điện_năng #đồng_hồ_tủ_điện #Đồng_hồ_giám_sát_năng_lượng #Giải_pháp_giám_sát_năng_lượng #Tư_vấn_chất_lượng_điện_năng #bộ_lọc_sóng_hài #lọc_sóng_hài #Đồng_hồ_năng_lượng #power_meter #sfere_electric #Sfere