Tụ bù 3 pha là một khái niệm tưởng chừng rất khó hiểu nhưng nếu thực tế nếu hiểu và nắm vững được những kiến thức căn bản về cách tính công suất, cách đấu tụ bù 3 pha, cấu tạo lắp đặt, … sẽ giúp bạn có một suy nghĩ hoàn toàn khác. Hãy cùng Elecnova Việt Nam đi phân tích cụ thể về tụ bù 3 pha cùng những cách đấu tụ bù và lưu ý khi sử dụng tụ bù 3 pha với bài viết ngay sau đây nhé!
1. Khái niệm đầu đủ về tụ bù 3 pha
Tụ bù hay còn được gọi với tên gọi khác là tụ bù điện, tụ bù công suất, … được hiểu là một vật dẫn được để cạnh nhau, ngăn cách bằng một lớp điện môi không dẫn điện. Tụ bù có hai tác dụng cụ thể là tích điện và giải phóng điện năng.

Tụ bù có 2 tác dụng vừa tích điện vừa giải phóng điện năng
Tụ bù điện có tính ứng dụng khá cao vì có thể dùng để bù công suất phản kháng nhằm tăn hệ số công suất hạn chế lãng phí điện năng do đó chi phí tiêu thụ điện cũng giảm đi rất nhiều.
2. Cách tính công suất phản kháng cho tụ bù
Để có thể hiểu được những cách đấu tụ bù 3 pha một trong những kiến thức cần phải nắm rõ đầu tiên đó chính là cách tính công suất phản kháng cho tụ bù.
Muốn tính công suất phản kháng cần bù để chọn tụ bù phù hợp cho tải nào đó thì ta cần biết công suất (P) và hệ số công suất (Cosφ) của tải đó: Cụ thể ta có công suất của tải là P, hệ số công suất của tải là Cosφ1 → tgφ1 (trước khi bù), hệ số công suất sau khi bù là Cosφ2 → tgφ2.
Công thức tính công suất phản kháng tụ bù cụ thể là: Qb = P*(tgφ1 – tgφ2)
Với công thức tính công suất phản kháng cho tụ bù ở trên sẽ giúp mọi người chọn loại tụ bù 3 pha sao cho phù hợp nhất trong những mục đích sử dụng khác nhau.
3. Cách đấu tụ bù 3 pha chính xác nhất
Để có thể đảm bảo được hiệu suất làm việc khi sử dụng tụ bù 3 pha, mọi người cần sử dụng những cách đấu tụ bù cơ bản sau đây.
-
Cách đấu tụ bù 3 pha theo cách đấu nối bù tĩnh
Bù tĩnh bao gồm từ một đến nhiều tụ bù, điều này đã tạo nên một lượng bù không đổi việc, do đó người dùng hoàn toàn có thể điều khiển được bằng tay, bằng bán tự động hoặc có thể đấu trực tiếp vào tải.

Ưu điểm của cách đấu này chính là sự đơn giản, dễ thao tác, tiết kiệm chi phí
Ưu điểm của cách đấu này chính là: chi phí không quá tốn kém, thao tác đấu tụ bù tĩnh thường khá đơn giản và dễ thực hiện.
-
Cách đấu tụ bù 3 pha theo cách đấu nối bù động
Bù động tức là việc sử dụng bộ điều khiển tụ bù tự động, có khả năng làm thay đổi dung lượng tụ bù để đảm bảo được hệ số công suất đạt đến giá trị mà người sử dụng mong muốn.
Ưu điểm của cách đấu tụ bù 3 pha động là không gây ra hiện tượng bù thừa do đó đảm bảo hệ số công suất đúng như mong muốn.
Tuy vậy, loại bù động thường tốn kém, chi phí cao do đó cần căn cứ vào mục đích và vị trí để lựa chọn sao cho phù hợp với chi phí cho phép.
4. Cấu tạo cách lắp đặt của tụ bù hạ thế 3 pha
Để có thể giúp mọi người hiểu rõ hơn về cấu tạo cách lắp đặt của loại tụ bù hạ thế 3 pha Elecnova Việt Nam sẽ giúp bạn tìm hiểu chi tiết.
Có thể giải thích đầy đủ về cấu tạo cách lắp đặt như sau.
- Điện trở phóng điện: như thường thấy thì các tụ điện sẽ được lắp đặt sẵn để đảm bảo điện tích dư bên trong là nhỏ nhất. Điện trở được đấu song song với tụ bù do đó khi người dùng ngắt điện ở tụ, điện tích sẽ phóng qua điện trở song song. Một lưu ý nhỏ của cấu tạo này chính là nên phải chọn điện trở phóng điện sao cho phù hợp để giảm tiêu hao công suất điện vừa phát huy khả năng giải phóng điện tích thừa một cách tối ưu.
- Cách đấu nối tụ bù hạ thế 3 pha cần đảm bảo được lắp đặt theo hình tam giác để kết cấu được hợp lý vì tụ điện hạ thế thường có 3 pha.
- Vị trí của loại tụ bù 3 pha chuẩn nhất có thể đặt ở vị trí cao áp, có thể ngay tại tủ tụ bù hoặc cũng có thể ở cực của các động cơ, phần thanh cái hạ áp của trạm biến áp cũng sẽ đảm bảo được chất lượng.
Khi nắm chắc được cách đấu tụ bù 3 pha cùng cách lắp đặt tụ bù này sẽ giúp người dùng có thể dễ dàng lắp đặt cũng như xử lý khi có vấn đề.
5. Một số lưu ý khi đấu tụ bù 3 pha và sử dụng
Những lưu ý tuy nhỏ nhưng đóng vai trò rất quan trọng trong quá trình lắp đặt tụ bù 3 pha bởi lẽ chỉ cần một sơ suất nhỏ cũng đem lại những kết quả không hoàn hảo. Elecnova Việt Nam sẽ giúp bạn tổng hợp những lưu ý cần thiết ngay dưới đây.

Những lưu ý nhỏ sẽ quyết định độ chính xác đi đấu tụ bù 3 pha
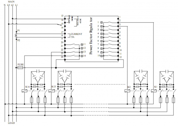
- Trong khi lắp đặt nếu không đấu đúng tín hiệu của dòng điện và điện áp cấp cho rơ le sẽ không cho kết quả cosphi chuẩn xác. Cần chú ý tới sơ đồ được quy định trước đó với rơ le để đảm bảo sự chính xác.
- Cần lưu ý đến tụ, thường xuyên vệ sinh, thay mới tụ nếu có hỏng hóc, … tránh trường hợp tụ có thể bị cháy, nổ dẫn đến hỏng công tắc tụ bù.
- Lưu tâm đến biến dòng có tỉ số biến phù hợp với tải để giúp dòng điện khi vào rơ le nhận biết được để người dùng điều khiển.
Như vậy không quá khó khăn khi áp dụng những cách đấu tụ bù 3 pha cùng những lưu ý cần thiết để thu được một kết quả hoàn hảo. Tụ bù 3 pha là chi tiết vô cùng cần thiết trong lĩnh vực điện dân dụng cũng như điện công nghiệp. Do đó khi có nhu cầu sử dụng tụ bù hạ thế 3 pha hãy tìm đến Elecnova Việt Nam - đơn vị cung cấp thiết bị điện uy tín, đảm bảo chất lượng tốt nhất cho các xí nghiệp, doanh nghiệp cũng như mọi người.