Với việc ứng dụng rộng rãi các chip đo lường có độ chính xác cao trong các dụng cụ đo lường, các dụng cụ đo lường điện thông minh đã đạt được những bước tiến vượt bậc cả về khối lượng và chức năng. Đồng hồ ngày càng nhỏ hơn về kích thước, ngày càng nhiều chức năng và đa dạng hơn về phương thức giao tiếp. Từ Modbus-RTU chung đến MBUS, CAN BUS, BACNET và PROFITNET, việc áp dụng các giao thức truyền thông này có thể cho phép truyền dữ liệu đo ở phía dưới lên thiết bị quản lý hoặc phần mềm quản lý ở cấp trên một cách nhanh hơn và ổn định hơn. Chúng ta hãy lấy đồng hồ đo điện đa năng ELECNOVA LNF96EY và ampe kế/ vôn kế ba pha LNF96E làm ví dụ để giới thiệu chức năng và cách đấu dây của hai đồng hồ này.
Đo lường chính xác cao tất cả các thông số điện thường được sử dụng trong hệ thống lưới điện ba pha: dòng điện ba pha, điện áp ba pha, công suất tác dụng, công suất phản kháng, hệ số công suất, tần số lưới, công suất tiêu thụ (kWh), năng lượng phản kháng (kVArh) và giao diện truyền thông và chức năng đầu ra xung năng lượng điện. Áp dụng giao thức truyền thông Modbus-RTU để kết nối với các hệ thống giám sát qua truyền thông có dây hoặc không dây. Nó có các đặc điểm cài đặt thuận tiện, nối dây đơn giản, số lượng công việc nhỏ, cài đặt lập trình trường cho các tham số đầu vào và có thể hoàn thành giao tiếp mạng với các PLC và máy tính điều khiển công nghiệp khác nhau trong ngành.

Thông số kỹ thuật
Đo lường: I/U/P/Q/S/F/PF
Công suất tiêu thụ 2 chiều (kWh)
Năng lượng phản kháng bốn góc phần tư
Màn hình: Màn hình LCD
Giao tiếp: Giao thức MODBUS-RTU
Đầu ra: 2 D/I, 2 R/O, 1 Xung năng lượng
Chất lượng điện năng: 2~15th Harmonic
Lựa chọn cho đo nhiệt độ, 6 mạch
- Phương pháp lắp đặt

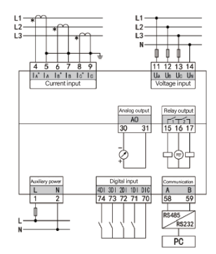
- Sơ đồ đấu dây


- Điện áp đầu vào không được cao hơn điện áp đầu vào định mức của sản phẩm, nếu không thì biến điện áp sẽ được xem xét. Để thuận tiện cho việc bảo trì, nên sử dụng khối nối dây.
- Biến dòng (CT) bên ngoài sẽ được sử dụng khi dòng điện đầu vào lớn hơn 5A. Nếu CT được sử dụng được kết nối với các thiết bị khác, hệ thống dây điện phải nối tiếp; Trước khi tháo dây đầu vào hiện tại của thiết bị, phải ngắt kết nối mạch sơ cấp CT hoặc mạch thứ cấp phải được nối ngắn mạch. Để thuận tiện cho việc bảo trì, nên sử dụng khối nối dây.
- Đảm bảo rằng điện áp và dòng điện đầu vào tương ứng, thứ tự pha nhất quán và hướng nhất quán, nếu không sẽ có lỗi trong các giá trị và ký hiệu của công suất và năng lượng.
- Đồng hồ có thể hoạt động ở chế độ ba pha ba dây hoặc ba pha bốn dây và người dùng phải cài đặt chế độ nối dây tương ứng theo thực tế, nếu không dữ liệu đo của thiết bị sẽ không chính xác.
- Vận hành

Mô tả các biểu tượng
|
Biểu tượng |
Mô tả |
|
|
|
Điện áp dây |
|
|
|
Điện áp pha |
|
|
|
Công suất tiêu thụ |
|
|
|
Không cân bằng |
|
|
|
Giá trị lớn nhất |
|
|
|
Giá trị nhỏ nhất |
|
|
|
Giá trị trung bình |
|
|
|
|
Đầu vào số, sáng khi đầu vào số tác động |
|
|
Rơ le đầu ra, sáng cho biết đầu ra rơ le tác động |
|
|
|
Truyền thông, nhấp nháy khi giao tiếp truyền thông |
|
|
|
Đầu ra xung, nhấp nháy khi có đo năng lượng |
|
|
|
Cảnh báo |
|
|
|
Cài đặt, sáng cho biết đồng hồ đang ở trạng thái cài đặt tham số |
|
|
|
Thời gian |
|
|
|
Tỷ lệ |
|
Mô tả về nút nhấn
|
Biểu tượng |
Chức năng |
|
|
Xuống trang, dịch chuyển con trỏ |
|
|
Lên trang, tăng giá trị cài đặt |
|
|
Để lưu giá trị hoặc chuyển trang cài đặt |
|
Menu |
Quay lại trang phía trước |

- Phương pháp cài đặt

Nhấn và giữ MENU cho ~5 giây. Nhập Password 0112
Lựa chọn sơ đồ kết nối (3 pha 4 dây hoặc 3 pha 3 dây)
Cài đặt tỷ số biến dòng
Cài đặt tỷ số biến áp
Cài đặt truyền thông (Nếu cần thiết)