06

Th 07

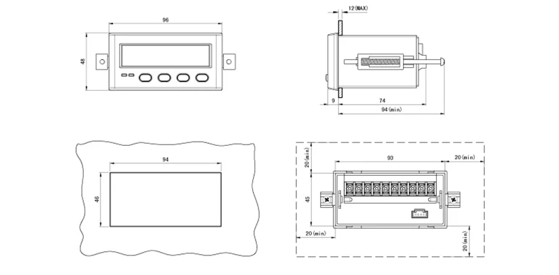
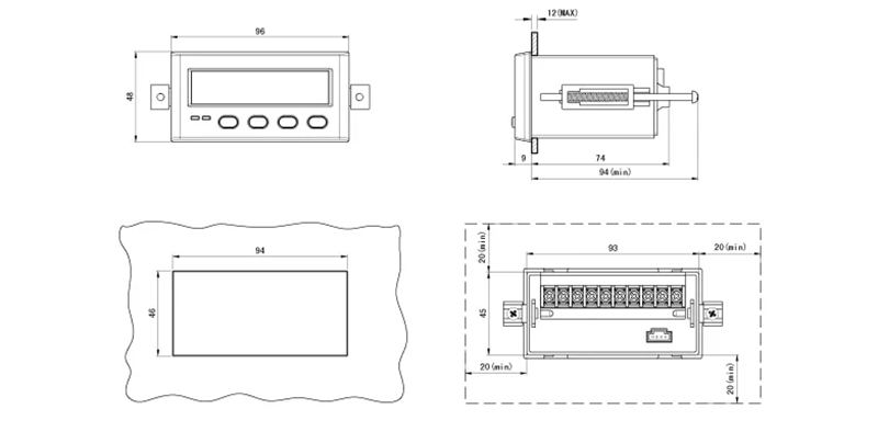
Đặc điểm cấu tạo của bộ giám sát và bảo vệ động cơ WDH 31-500

Đặc điểm cấu tạo của bộ giám sát và bảo vệ động cơ WDH 31-500

  • Hạnh Phạm
  • 0 bình luận

Bộ giám sát và bảo vệ động cơ WDH 31-500 là thiết bị được dùng để điều khiển động cơ cũng như giám sát hoạt động của thiết bị máy móc. Bạn đã tìm hiểu được những gì về cấu tạo cũng như thông số kỹ thuật của sản phẩm trên, hãy cùng Elecnova Việt Nam cùng tìm hiểu thông qua bài viết dưới đây để biết thêm chi tiết.

1.Mô tả sản phẩm bộ giám sát và bảo vệ động cơ WDH 31-500

Tên sản phẩm:WDH-31-500 380V bảo vệ ngắt mạch/nhiệt chuyển đổi bước điều khiển động cơ

WDH-31-500 là một thế hệ mới cho các nhiệt relay, thời gian phát lại, đầu dò và như vậy. Nó là động cơ chế độ bảo vệ, mang đến cho một rộng hơn phạm vi bảo vệ và tăng cường bảo vệ độ chính xác, biến các công cụ đáng tin cậy hơn.

Bộ điều khiển bảo vệ động cơ có thể cung cấp tới 12 đầu vào kỹ thuật số có thể lập trình (tiếp điểm khô và ướt tùy chọn), 7 đầu ra rơle có thể lập trình, tất cả các đầu vào và đầu ra có thể lập trình, tất cả đều đáp ứng các yêu cầu điều khiển bảo vệ khác nhau tại chỗ.

Thiết bị này có thể đặt giá trị cảnh báo và giá trị hành động cùng một lúc và có thể dừng tương ứng, đồng thời các thông số bảo vệ có thể được điều chỉnh bởi chuyên gia theo điều kiện làm việc thực tế của động cơ hiện trường, còn trường hợp mất điện thì không mất đi.

Sản phẩm bộ giám sát và bảo vệ động cơ WDH 31-500 

Sản phẩm bộ giám sát và bảo vệ động cơ WDH 31-500 

2.Thông số kỹ thuật của sản phẩm bộ giám sát và bảo vệ động cơ WDH 31-500

Thông số kỹ thuật của sản phẩm:

  • Hệ thống: Điện áp định mức của động cơ: AC 380V hoặc 660 V AC, 50Hz
  • Đánh giá hiện tại của động cơ: 0.1A ~ 800A
  • Cách nhiệt điện trở: ≥100MΩ
  • Phạm vi làm việc: AC 100- 415V
  • Tiêu thụ điện năng: ≤3VA
  • Nhiệt độ hoạt động: -20℃ ~ + 60℃
  • Độ ẩm tương đối: ≤93% RH
  • Lưu trữ nhiệt độ: -25℃ ~ 70℃
  • IP bằng cấp: Phía trước: IP64, Phía Sau: IP20
  • Hiện tại/ Điện áp: ± 1% của giá trị cài đặt
  • Nhiệt công suất: ± 1% của giá trị cài đặt
  • Bị trì hoãn quyền thời gian: Khi bị trì hoãn quyền giá trị <2 s: ± 100 ms
  • Khi bị trì hoãn quyền giá trị ≥ 2 s: ± 5%
  • Liên hệ với công suất: AC 250 V/5A

Thông số kỹ thuật của sản phẩm bộ giám sát và bảo vệ động cơ WDH 31-500

Thông số kỹ thuật của sản phẩm bộ giám sát và bảo vệ động cơ WDH 31-500

3.Các chức năng của bộ giám sát và bảo vệ động cơ WDH 31-500

Chức năng cơ bản:

  • Bộ phận đóng cắt của thiết bị bao gồm những chức năng cơ bản như cách ly và bảo vệ mạch. Chức năng cách ly đóng vai trò ngăn cách động cơ và mạch điện đối với nguồn điện. 
  • Bảo vệ ngắn mạch sử dụng khi thiết bị xảy ra sự cố ngắn mạch lúc này vẫn đảm bảo được động cơ và thiết bị vẫn có thể hoạt động. Cuối cùng là đóng cắt và bảo vệ quá tải có vai trò đóng cắt và bảo vệ thiết bị khi xảy ra quá tải.

Chức năng điều khiển:

Chức năng điều khiển của thiết bị điều khiển và bảo vệ động cơ được chia thành hai mô hình dựa trên cấu tạo của thiết bị như sau:

  • Mô hình điện cơ: gồm cách ly, đóng cắt, bảo vệ ngắn mạch, bảo vệ quá tải và điều khiển công suất.
  • Mô hình điện tử gồm: cách ly, đóng ngắt, bảo vệ ngắn mạch và khởi động mềm - điều khiển với biến tần.

4.Địa chỉ mua sản phẩm bộ giám sát và bảo vệ động cơ WDH 31-500

Bạn đang băn khoăn trong việc tìm kiếm một đơn vị cung cấp sản phẩm bộ giám sát và bảo vệ động cơ WDH 31-500 uy tín? 

Elecnova Việt Nam tự hào là một trong những địa chỉ bán hàng chất lượng và uy tín được khách hàng lựa chọn và tin tưởng bởi những ưu điểm có thể kể đến dưới đây:

  • Giá thành sản phẩm hợp lý, cạnh tranh trên thị trường
  • Các sản phẩm được Elecnova cung cấp đa dạng về mẫu mã, đảm bảo cho việc đáp ứng nhu cầu của người tiêu dùng.
  • Đội ngũ nhân viên tư vấn thân thiện, nhiệt tình giải đáp các thắc mắc mà khách hàng đưa ra.

Thông qua bài viết trên, chúng tôi đã giúp bạn tìm hiểu thông tin cấu tạo của dòng sản phẩm bộ giám sát và bảo vệ động cơ WDH 31-500. Nếu bạn có nhu cầu mua hàng, hãy liên hệ với Elecnova Việt Nam để được hỗ trợ và tư vấn trực tiếp.

Sự hài lòng của khách hàng chính là nguồn động lực để chúng tôi tiếp tục phát triển và hoàn thiện hơn nữa trong tương lai.

Zalo Elecnova Messenger Elecnova hotline
popup

Số lượng:

Tổng tiền: